

Couldn't load pickup availability
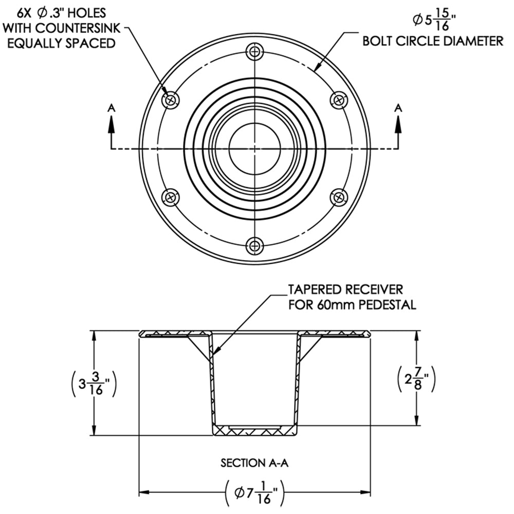
Table Support - Flush Mount - Fits 2-3/8" Pedestals
Aluminum - Brite Anodized
The Zwaardvis table pedestal systems provide a wide array of base options to cover most applications. All bases are designed to accept the innovative Zwaardvis tapered column for convenient removal and storage.
Features and Benefits
